Référence: 115737
ALUMINIUM Prélaqué Ral 1013 S, 15/10, Dev. 1135, Lg. 1140
MATIÈRE : AluminiumFINITION : ALUMINIUM Prélaqué RalÉPAISSEUR : 15/10QUANTITÉ : 1PRÉ-LAQUAGE : 1013 S
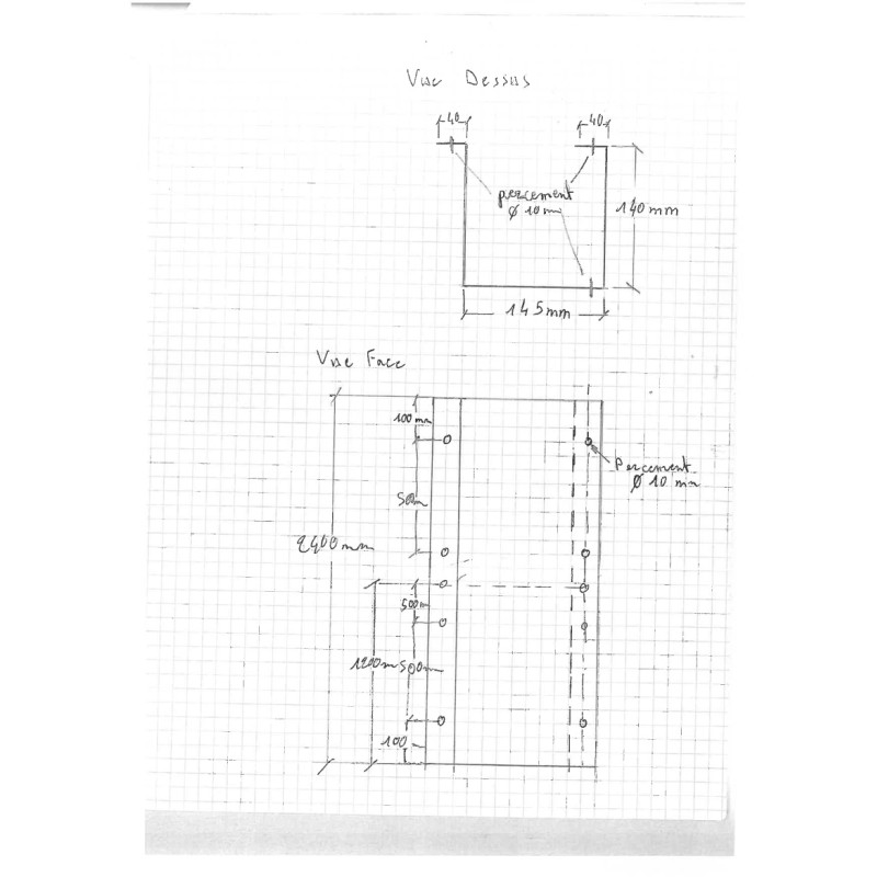
MATIÈRE : Aluminium
FINITION : ALUMINIUM Prélaqué Ral
ÉPAISSEUR : 20/10
QUANTITÉ : 1
PRÉ-LAQUAGE : 9010 - Brillant
2400 mm
491 mm
5
40 mm
140 mm
90 °
145 mm
-90 °
140 mm
-90 °
40 mm
-90 °
Référence: 115737
MATIÈRE : AluminiumFINITION : ALUMINIUM Prélaqué RalÉPAISSEUR : 15/10QUANTITÉ : 1PRÉ-LAQUAGE : 1013 S
Référence: 115154
MATIÈRE : AluminiumFINITION : ALUMINIUM Prélaqué Sablé ÉPAISSEUR : 15/10QUANTITÉ : 1PRÉ-LAQUAGE : 2100 - Sablé
Référence: 114378
MATIÈRE : AluminiumFINITION : ALUMINIUM Prélaqué RalÉPAISSEUR : 15/10QUANTITÉ : 1PRÉ-LAQUAGE : 7016 - Satiné
Référence: 114712
MATIÈRE : InoxFINITION : Inox Brossé G220 304LÉPAISSEUR : 15/10QUANTITÉ : 1
Référence: 120708
MATIÈRE : AluminiumFINITION : ALUMINIUM PostLaqué 1FaceÉPAISSEUR : 15/10QUANTITÉ : 1LAQUAGE : 9003 - Satiné
Référence: 115240
MATIÈRE : GalvaFINITION : GALVAÉPAISSEUR : 20/10QUANTITÉ : 1
Référence: 119315
MATIÈRE : AluminiumFINITION : ALUMINIUM PostLaqué 1FaceÉPAISSEUR : 15/10QUANTITÉ : 1LAQUAGE : 7034 - Satiné
Référence: 115784
MATIÈRE : AluminiumFINITION : ALUMINIUM Prélaqué RalÉPAISSEUR : 15/10QUANTITÉ : 1PRÉ-LAQUAGE : 9010 - Brillant
Référence: 118296
MATIÈRE : AluminiumFINITION : ALUMINIUM Prélaqué RalÉPAISSEUR : 10/10QUANTITÉ : 1PRÉ-LAQUAGE : 7016 - Satiné
Référence: 117125
MATIÈRE : AluminiumFINITION : ALUMINIUM Prélaqué RalÉPAISSEUR : 10/10QUANTITÉ : 1PRÉ-LAQUAGE : 7016 - Satiné
Référence: 118328
MATIÈRE : AluminiumFINITION : ALUMINIUM Prélaqué RalÉPAISSEUR : 10/10QUANTITÉ : 1PRÉ-LAQUAGE : 7016 - Satiné
Référence: 115247
MATIÈRE : AcierFINITION : ACIER BrutÉPAISSEUR : 60/10QUANTITÉ : 1
Référence: 119537
MATIÈRE : AcierFINITION : ACIER BrutÉPAISSEUR : 50/10QUANTITÉ : 1
Référence: 115488
MATIÈRE : AluminiumFINITION : ALUMINIUM PostLaqué 1FaceÉPAISSEUR : 15/10QUANTITÉ : 1LAQUAGE : 9003 - Satiné
Référence: 118754
MATIÈRE : AluminiumFINITION : ALUMINIUM Prélaqué RalÉPAISSEUR : 15/10QUANTITÉ : 1PRÉ-LAQUAGE : 9016 - Satiné
Référence: 120292
MATIÈRE : AcierFINITION : ACIER BrutÉPAISSEUR : 15/10QUANTITÉ : 1
MATIÈRE : Aluminium
FINITION : ALUMINIUM Prélaqué Ral
ÉPAISSEUR : 20/10
QUANTITÉ : 1
PRÉ-LAQUAGE : 9010 - Brillant